上海青木装潢制品有限公司
收藏本站
\
在线留言
\
网站地图
纱窗国家标准起草单位之一
全国热线电话:
13611851439
首页
韦柏隐形纱窗
韦柏防护纱窗
韦柏纱网
经典案例
关于韦柏
韦柏资讯
联系韦柏
猜您想找:
防盗纱窗品牌
、
金刚网防盗纱窗
、
上海纱窗厂家
、
隐形纱窗厂
、
防护纱窗
当前位置
:
首页
»
韦柏资讯中心
»
新闻资讯
»
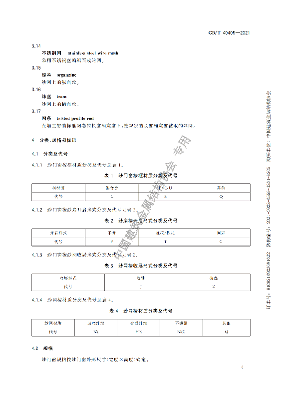
上海青木装潢制品有限公司《建筑用纱门窗技术条件》国家标准已发布,将于2022年3月1日起实施。
上海青木装潢制品有限公司《建筑用纱门窗技术条件》国家标准已发布,将于2022年3月1日起实施。
来源:韦柏纱窗
查看手机网址
扫一扫!
扫一扫!
浏览:
-
发布日期:2021-09-27 15:06:43【
大
中
小
】
下一篇:
上海陈先生安装韦柏隐形防蚊纱窗
上一篇:
任岁月已然,韦柏伴你成长
“
推荐阅读
”
重庆杨先生与韦柏隐形纱窗的邂逅
安徽许小姐与韦柏隐形纱窗的浪漫之选
上海李先生与韦柏隐形纱窗的完美邂逅
江苏郭先生与韦柏隐形纱窗的不解之缘
上海徐先生与韦柏隐形纱窗的邂逅
杭州徐先生与韦柏隐形纱窗的品质之选
上海刘先生与韦柏隐形纱窗的完美邂逅
义乌黄先生与韦柏隐形纱窗的明智之选
上海陈先生与韦柏隐形纱窗的完美契合
合肥钟先生与韦柏隐形纱窗的不解之缘
【本文标签】:
隐形纱窗门
隐形纱窗哪种好
隐形纱窗价格
【责任编辑】:
韦柏纱窗
版权所有:
转载请注明出处
韦柏纱窗推荐
韦柏K型高透防护小平开纱窗
75型推拉门防护纱窗
韦柏清洁网
夏季隐形纱窗袋平开304金刚防护纱网
M款易清洗折叠纱窗
相关新闻资讯
重庆杨先生与韦柏隐形纱窗的邂逅
安徽许小姐与韦柏隐形纱窗的浪漫之选
上海李先生与韦柏隐形纱窗的完美邂逅
江苏郭先生与韦柏隐形纱窗的不解之缘
浙江胡先生与韦柏隐形纱窗的美好邂逅
上海徐先生与韦柏隐形纱窗的邂逅
杭州徐先生与韦柏隐形纱窗的品质之选
上海刘先生与韦柏隐形纱窗的完美邂逅
义乌黄先生与韦柏隐形纱窗的明智之选
杭州李先生与韦柏隐形纱窗的品质之约
最新资讯文章